(067) 473-40-83 (097) 939-81-46

Продукция Акустические системы Проектирование Инструкции монтажа Многое о звукоизоляции Для скачивания

Крепления для подвесных потолков Vibrofix P

Крепления для подвесных потолков Vibrofix P

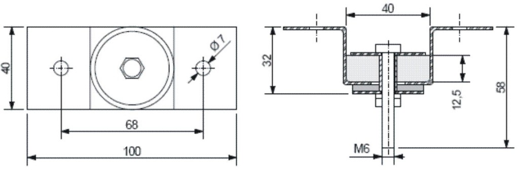
Виброизолирующие крепления для подвесных потолков

Виброизоляционные крепления Vibrofx P применяются в строительстве для монтажа каркасов звукоизоляционных подвесных потолков в помещениях жилых и общественных зданий.

Крепления Vibrofx P изготовлены из прочной оцинкованной стали толщиной 1,5 мм. В качестве упругого элемента применяется уникальный материал Sylomer, специально разработанный для решения задач в области виброзащиты.

— эффективная акустическая развязка со строительными конструкциями;

— малая усадка при рабочей нагрузке;

— минимальная глубина каркаса 60 мм.

VibrofixP

VibrofixP1 VibrofixP2 VibrofixP3

Монтаж

Для эффективной звукоизоляции нагрузка на каждое крепление не должна выходить за диапазон рабочих нагрузок, указанный таблице.

К перекрытию потолка крепления Vibrofx P монтируются с помощью металлических анкеров. Каркас подвесного потолка закрепляется с помощью П-образных кронштейнов или регулируемых подвесов на спицах.

Для увеличения звукоизолирующей способности подвесного потолка рекомендуется использовать звукоизоляционные мембраны Tecsound между двумя листами гипсокартона.

Во избежание косвенных путей передачи шума элементы каркаса и гипсокартонные листы должны примыкать к боковым поверхностям стен через упругие прокладки ленты из вспененного каучука

VibrofixP5

Вверх